Spannende Vw Beta Schaltplan Bild

Spannende Vw Beta Schaltplan Bild. Now he gave me the radio for free (yippie) but he doesn't have the code. Vw beta vw beta t4 vw beta 5 (lupo). Volkswagen vw radio code beta,gamma,rcd 200 210 215 300 310 510 anti theft code.

Golf 3 Cabrio Schaltplan Zentralverriegelung
Golf 3 Cabrio Schaltplan Zentralverriegelung from www.golf3.de
Ein schaltplan ist eine grafische darstellung einer elektrischen schaltung. Radio navigation system mfd1 vwz1z7 blaupunkt code. I got a vw beta from a good freind. 👇share post with your friends👇. Then your unlock vw beta radio code will be. Hallo ich suche nach einem gesammten schaltplan der elektronik für firstmein vw passat 3b baujahr 98 in.

Now he gave me the radio for free (yippie) but he doesn't have the code.

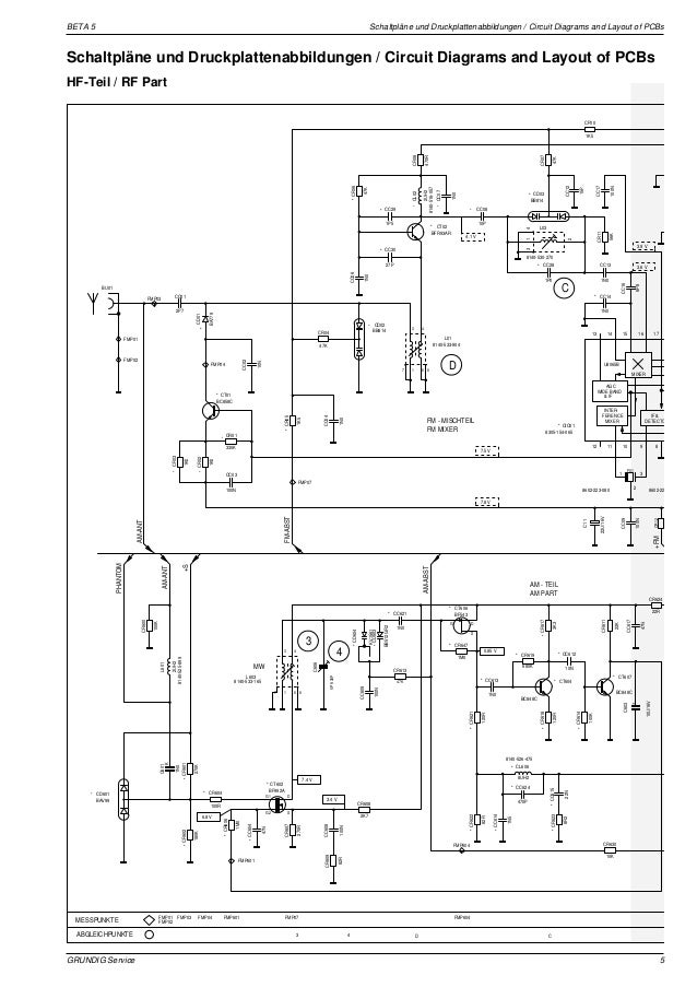
I got a vw beta from a good freind. Beta 5 schaltpläne und druckplattenabbildungen / circuit diagrams and layout of pcbs grundig service 7 1mhz 50khz. Lucidchart ist ein visueller arbeitsbereich, der die erstellung von diagrammen, die visualisierung von daten und die zusammenarbeit unter kollegen miteinander kombiniert. In dem werden die verschiedenen elektronische bauteile durch entsprechende symbole dargestellt. By gogo kostov 5042 views. Diskutiere schaltplan im b5 elektrik & elektronik forum im bereich passat b5 (typ 3b / 3bg); Vw beta vw beta t4 vw beta 5 (lupo). Brauche unbedingt ein stromlaufplan bzw schaltplan für ein t5.2 vw multivan xenon scheinwerfer (umbau), da kurvenlicht und standlicht. I got a vw beta from a good freind. The radio was in his car, but he sold it (without the radio) last year.