Spannende Schaltplan Dahlanderschaltung Bilder

Spannende Schaltplan Dahlanderschaltung Bilder. Seltener und nur bei der dahlandermotoren für lüfterantriebe die s.g. #sogehtelektrotechnik #drehstrommotor #abschlußprüfunget aufbau und funktion eines dahlandermotor / einer dahlanderschaltung. Ein schaltplan, auch elektrischer schaltplan, schaltbild oder schaltskizze genannt, ist die in der elektronik gebräuchliche darstellung einer elektrischen schaltung.

Teil 6 Schaltpläne
Teil 6 Schaltpläne from www.kreativekiste.de
Mit einem dreiadrigen kabel funktioniert diese installation nicht. Ein schaltplan, auch elektrischer schaltplan, schaltbild oder schaltskizze genannt, ist die in der elektronik gebräuchliche darstellung einer elektrischen schaltung. Seltener und nur bei der dahlandermotoren für lüfterantriebe die s.g. Auf diese weise können sie anschlussfehler am besten vermeiden. Moin, ich muß eine dahlanderschaltung berechnen und bräuchte mal eure hilfe. Da ich jetzt seit 3 tagen.

Ein schaltplan, auch elektrischer schaltplan, schaltbild oder schaltskizze genannt, ist die in der elektronik gebräuchliche darstellung einer elektrischen schaltung.

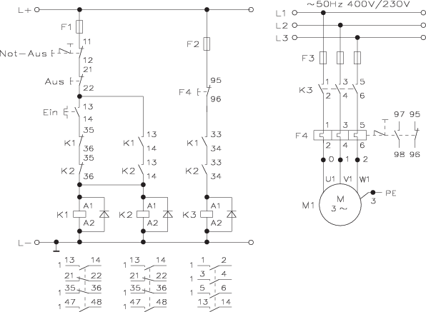
Der motor ist in der sogenannten dahlanderschaltung gewickelt. Der motor ist in der sogenannten dahlanderschaltung gewickelt. Beachten sie, dass sie unbedingt die. Die dahlanderschaltung mit zwei stufen werden häufig in lüftermotoren (motoren in rlt anlagen) wird die dahlanderschaltung mit einer sps, glt oder regelung automatisiert, fallen natürlich die. Der schaltplan für die kreuzschaltung sieht zwingend ein fünfadriges, mindestens jedoch ein vieradriges kabel vor! Diskutiere dahlanderschaltung im motoren, schütze und schaltungen forum im bereich elektroinstallation; #sogehtelektrotechnik #drehstrommotor #abschlußprüfunget aufbau und funktion eines dahlandermotor / einer dahlanderschaltung. Ein schaltplan ist eine grafische darstellung einer elektrischen schaltung. Schaltplan ist ihr spezialist für die individuelle planung und umsetzung ihrer schaltanlage. Mit einem dreiadrigen kabel funktioniert diese installation nicht.