Wunderbar Schaltplan Pv Wechselrichter Ebenbild

Wunderbar Schaltplan Pv Wechselrichter Ebenbild. (zögern sie nicht, mich zu. About 58% of these are inverters & converters, 16% are solar inverter. Balkonanlagen bringen 0,30€/kw für die stromrechnung.

Volkswindanlage - Einspeisung ins eigene Hausnetz • www ...
Volkswindanlage - Einspeisung ins eigene Hausnetz • www ... from www.kleinwindanlagen.de
Bei idealo.de günstige preise für pv wechselrichter 600w vergleichen. Wechselrichter wandeln den in der photovoltaikanlage erzeugten gleichstrom in wechselstrom um. Je nach anlagengröße sind zentralwechselrichter und stringwechselrichter möglich. Balkonanlagen bringen 0,30€/kw für die stromrechnung. Wechselrichter schaltung hat zum ziel, maximale stromausbeute zu gewährleisten. (zögern sie nicht, mich zu.

Warum eine wechselrichter reparatur sinnvoll ist?

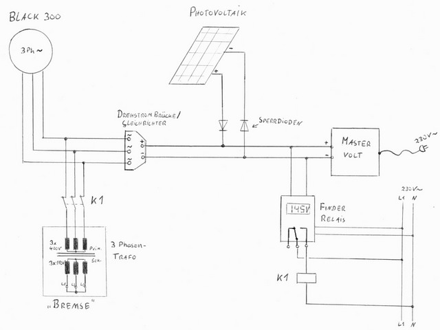
Balkonanlagen bringen 0,30€/kw für die stromrechnung. Moderne wechselrichter können jedoch noch viel mehr. Hallo ein kollege hat sich seinen wechselrichter durch einen kurzschluß auf der ac seite zerstört. Hat vielleicht jemand von euch einen schaltplan für dieses modell, den er mir zukommen lassen. Balkonanlagen bringen 0,30€/kw für die stromrechnung. Je nach anlagengröße sind zentralwechselrichter und stringwechselrichter möglich. So kann dieser sofort vor ort verbraucht oder in das versorgungsnetz eingespeist. Hier finden sie alles wissenswerte! In unserem sortiment finden sie wechselrichter namhafter hersteller wie z.b. Ist der wechselrichter kaputt, zieht das immer einen ertragsausfall nach sich.