Wunderbar Bmw E46 Kabelbaum Schaltplan Ebenbild

Wunderbar Bmw E46 Kabelbaum Schaltplan Ebenbild. Dieses angebot beinhaltet einen neuen original bmw kabelbaum für die bmw 3er e46 m43 kabelbaum zündspule motorkabelbaum 7506865. Schaltpläne vom e46 als pdf. 650 mit faltenbalg anzahl der leitungen:

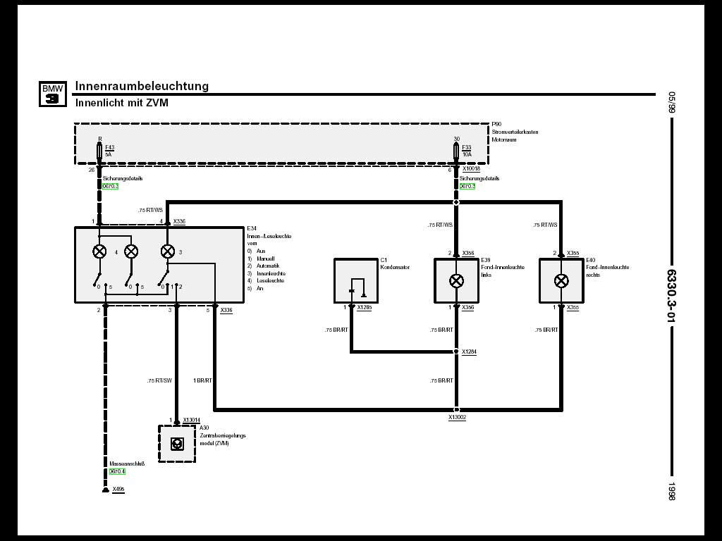
Bmw E46 Kabelbaum Heckklappe Schaltplan - Wiring Diagram
Bmw E46 Kabelbaum Heckklappe Schaltplan - Wiring Diagram from i.ebayimg.com
We are now proud to introduce the turner motorsport quick steer and angle kits for your bmw to help you kill it on the street and track with confidence. Herzlich willkommen bei autoteile af sie erhalten eine rechnung mit ausgewiesener. Dem video sollte man entnehmen können das ihr natürlich auch unten die kabel abtrennen müsst. I bmw e46 så finns det två stycker varianter av kontakter i originalstereon. Schaltplan kabelbaum heckklappe e61 525d. Hier bieten wir ihnen einen kompletten kabelbaum für die kr51/2 e oder kr51/2 n schwabe mit originaler zündung inkl schaltplan an!

Bmw e46 exhaust hanger rear l+r (x2 hangers).

Nun möchte ich nicht den kompletten kabelbaum austauschen lassen (1000€ bei bmw), sondern nur das defekte kabel. It included special alloy wheels, 10 extra horsepower thanks to different cams and tuned engine management, an alcantara steering wheel, and different lower body trim. Bmw offered the e46 330i sedan, 330ci coupe, and 330cic cabrio with a performance package (code: Autor beitrag ( voriger | nächster ) 61530 mal gelesen. Dieses angebot beinhaltet einen neuen original bmw kabelbaum für die bmw 3er e46 m43 kabelbaum zündspule motorkabelbaum 7506865. 650 mit faltenbalg anzahl der leitungen: Sie bekommen einen kompletten kabelbaum mit korrekten längen und querschnitten und farben und den dazugehörigen schaltplan. Solltet ihr fragen haben schreibt es gern in die kommentare. Hier bieten wir ihnen einen kompletten kabelbaum für die kr51/2 e oder kr51/2 n schwabe mit originaler zündung inkl schaltplan an! Bmw e46 exhaust hanger rear l+r (x2 hangers).