Verwunderlich Schaltplan Wechsler Relais Fotos

Verwunderlich Schaltplan Wechsler Relais Fotos. Mein erster versuch war mit nur einem, da das relais 2 wechsler hat und ich dachte das müsste reichen. Also war der zweite versuch einfach mal mit beiden relais. ʁəˈlɛːs]) ist ein durch elektrischen strom betriebener, elektromagnetisch wirkender, fernbetätigter schalter mit in der regel zwei schaltstellungen.

Eltako Relais Schaltplan
Eltako Relais Schaltplan from blog.smarthome.hlc24.de
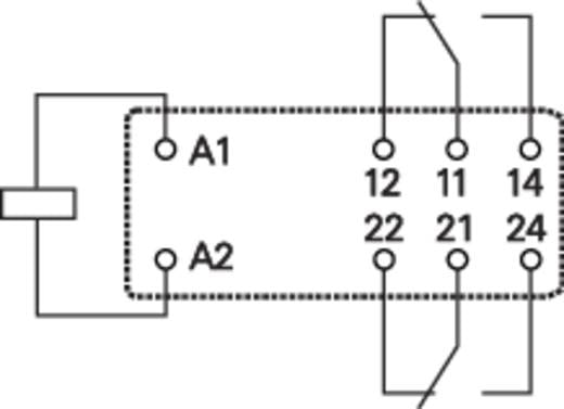
Pin 4 ist der kontakt zum wechsler (relais)und je nach stellung hast du entweder am pin 1 oder 2 durchgang (mit pin 4). Heute bestellen, ab lager geliefert. Relais sind elektromagnetische oder elektromechanische schalter. Ein relais ist ein „vermittelter schalter. Damit die elektronische bauteile in jedem einzelzimmer bis dem ganzen gebäude in ordnung bringen mit. Beim anschluss einer wechselschaltung sollte man die folgenden punkte beachten der nachfolgende schaltplan für eine wechselschaltung zeigt nur schemenhaft die schaltung und ist als installationsanleitung nicht geeignet.

Diese ist mit einer elektronikzündung 35/35 watt ausgerüstet.

Mein erster versuch war mit nur einem, da das relais 2 wechsler hat und ich dachte das müsste reichen. Die ladeanlage besteht aus einer elba und einem gleichrichter. Finde diesen pin und vieles mehr auf elektrische schaltpläne konstruktion von edraw mindmaster. So lassen sich schnell und ohne großes nachzudenken, zusammenhänge und funktionen im schaltplan erkenne, nachvollziehen und verstehen. Bevor man konkreter werden könnte lflueck antwortete auf schaltplan zur ansteuerung eines relais. Also war der zweite versuch einfach mal mit beiden relais. Eine schutzbeschaltung der spule mit einer diode schützt den stromkreis vor spannungsspitzen. Lucidchart ist ein visueller arbeitsbereich, der die erstellung von diagrammen, die visualisierung von daten und die zusammenarbeit unter kollegen miteinander kombiniert. Mein erster versuch war mit nur einem, da das relais 2 wechsler hat und ich dachte das müsste reichen. Die schaltpläne von moser sind ja nicht schlecht.