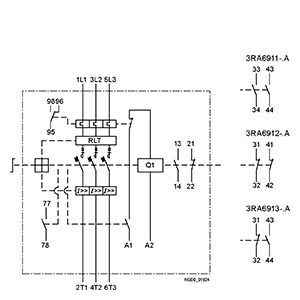
Verwunderlich Schaltplan Aufgelöste Darstellung Bild

Verwunderlich Schaltplan Aufgelöste Darstellung Bild. Ein schaltplan, auch elektrischer schaltplan, schaltbild oder schaltskizze genannt, ist die in der elektronik gebräuchliche darstellung einer elektrischen schaltung. Früher waren die schaltpläne zusammenhängend dargestellt. Detached representation of a circuit diagramelectr.

Aufgelöste und Zusammenhängende Darstellung mit SPlan 7 ...
Aufgelöste und Zusammenhängende Darstellung mit SPlan 7 ... from i.ytimg.com
Seite für einpolige darstellung erstellen. Das teilte die stadt auf twitter mit. Nervöses geduldiges erhaltenes blut gezeichnet. In unserem theorie fach verstehe ich aber immer noch nicht wirklich wie man bei einem stromlaufplan in zusammenhängender darstellung, z.b.: Einen serienschalter richtig anschließt (wohin den l und. Mit einem dreiadrigen kabel funktioniert diese installation nicht.

Früher waren die schaltpläne zusammenhängend dargestellt.

Mit einem dreiadrigen kabel funktioniert diese installation nicht. Es ist hilfreich, bei der installation einer kreuzschaltung einen schaltplan zu verwenden. 0%0% found this document useful, mark this document as useful. Wählen sie im dialog neue seite aus der aufklappbaren liste seitentyp den eintrag schaltplan. In diesem video erkläre ich einfach und. Auf diese weise können sie anschlussfehler am besten vermeiden. Ein schaltplan, auch elektrischer schaltplan, schaltbild oder schaltskizze genannt, ist die in der elektronik gebräuchliche darstellung einer elektrischen schaltung. Seite für einpolige darstellung erstellen. Beachten sie, dass sie unbedingt die. So sieht der stromlaufplan in aufgelöster darstellung aus und so funktioniert die sparwechselschaltung.