Stilvolle Schematic Diagram Led Tv Samsung Fotos

Stilvolle Schematic Diagram Led Tv Samsung Fotos. Also here are more than 500 samsung tv schematics diagrams! Samsung led tv series ue4 and ue5 training. Electronics service manual exchange :

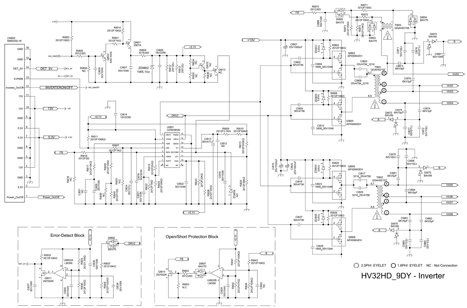
Electro help: PHILCO PH46-LED LCD TV - LED LCD TV - MAIN ...
Electro help: PHILCO PH46-LED LCD TV - LED LCD TV - MAIN ... from 2.bp.blogspot.com
249 regularsearch) ask for a document. Also here are more than 500 samsung tv schematics diagrams! Service manual tv samsung cs21s8nas/mur, ks2a(p) (rev.2) ch. Series 3 ta 300 led tv monitor (44 pages). Conformity of model and the chassis of tvs samsung. Samsung le27s71b chassis gsm27se part 2 schematics diagram.rar.

Now, finally, we are here, in this post, available many types of samsung led tv schematic like smart lcd/led tv, plasma, 65 inches led tvs, and many more, you can check in the list below.

Series 3 ta 300 led tv monitor (44 pages). Samsung le27s71b chassis gsm27se part 2 schematics diagram.rar. This document can not be used without samsungs authorization. Samsung un55h7150 un55h7150af un55h7150afxza 3d smart led tv service manual. Samsung led tv series ue4 and ue5 training. Схема телевизора samsung samsung oled tv training guide. Also here are more than 500 samsung tv schematics diagrams! All led lcd tv board schematic diagrams free download. Schematics,datasheets,diagrams,repairs,schema,service manuals,eeprom bins,pcb as well as service mode entry, make to model and chassis correspondence and more. Free schematic diagrams tv samsung.