Spannende Schematic Led Cube 8X8X8 Ebenbild

Spannende Schematic Led Cube 8X8X8 Ebenbild. Where i get the code and scheme? extra programming the led cube. Program allows to create animations and playback them.

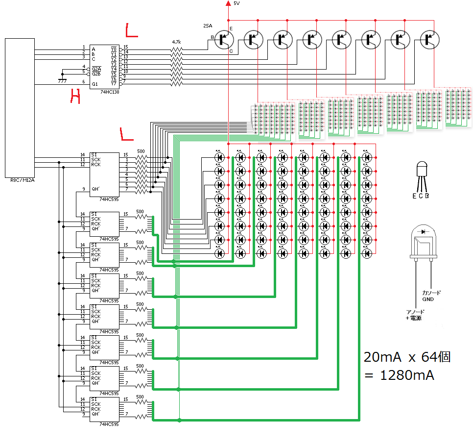
8x8x8 LED Cube の仕様を考える - JAPAN TENT
8x8x8 LED Cube の仕様を考える - JAPAN TENT from livedoor.blogimg.jp
Chris shared his latest led cube project details. It draws an expanding cube. To build up a leds layer of a 8x8x8 led cube, 64 leds are needed. Everything you need to know about the 8x8x8 rgb led cube. The cube array variable) are the leds. The right hand side is for the individual led driver and the left side for arduino and layer/cathode control.

I was too lazy to create the full schematic, its an equivalent scheme for a 3x3x3 cube.

Building an led cube is a great way to learn how to solder, while building something that looks awesome. Box, box2, box3) of your example, the bits that are set to 1 in the frame buffer (i.e. Coming to the point your 8x8x8 led cube project in this page , i am very much interested to build one. The right hand side is for the individual led driver and the left side for arduino and layer/cathode control. In this tutorial, user will be guided to build up a 8x8x8 led cube in step by step. You may or you may not want to include a power switch. You better buy diffused led ,so that emitted light is the same every corner you watch it. I've attached a pdf schematic of it to this message. 8x8x8 3d led cube source code. Program allows to create animations and playback them.