Schöne Schaltbild Relais Bild

Schöne Schaltbild Relais Bild. Sie berücksichtigt nicht die reale gestalt und anordnung der bauelemente. Halbleiterrelais funktionieren wie die meisten relais, aber als halbleiterbauteil enthalten sie keine beweglichen teile. Das relais benötigt eine vorverstärkerschaltung mit einem transistor und eine diode, die induktionsströme beim abschalten des relais abfängt.

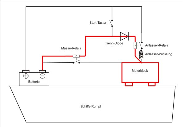
T4 Stromlaufplan Anlasser
T4 Stromlaufplan Anlasser from www.t4-wiki.de
Ihr seht hier die beschaltung als stromlauf. Du mußt den stromfluß durch die. Im gegensatz zu normalen relais können hohe. Un petit joyaux au coeur de paris. Ein relais besteht aus einer spule welche durch das anziehen eines ankers eine anzahl schalter aktiviert. L'installateur électricien doit calibrer le relais thermique en fonction d'une mesure de courant nominal.

An klemme 30/87z wird betriebsspannung angelegt.

Un petit joyaux au coeur de paris. Relais pdf datenblatt, schaltplan, funktion, schaltbild, vergleichstabelle,eigenschaften. So schaltest du nur die led kurz. Artikel 1 bis 4 von 212 gesamt. Liebe modellbahner, auf anfrage habe ich noch einmal das thema bistabiles relais aufgegriffen. Sie berücksichtigt nicht die reale gestalt und anordnung der bauelemente. Halbleiterrelais, solid state relais (ssr), sind das elektronische pendant zu mechanischen relais. Um zu ermöglichen, spezielle kontakte in dieser schriftlichen arbeit anzusprechen, gebe ich diesen kontakten nummern. Das relais ist über eine serielle schnittstelle mit der pc konfigurationssoftware lütze time relay configurator parametrierbar. L'installateur électricien doit calibrer le relais thermique en fonction d'une mesure de courant nominal.