Luxus Audi Chorus Schematic Bild

Luxus Audi Chorus Schematic Bild. Am search for schematic with dump e.g. Grundig car stereo audi chorus, audi concert, audi gamma cc. Blaupunkt audi chorus lhd grayhill sch.

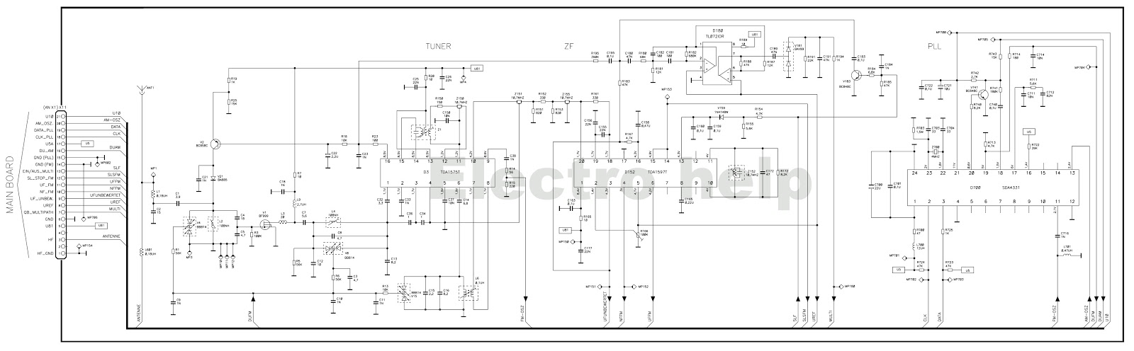
AUDI Chopus, Concert pinout diagram @ pinoutguide.com
AUDI Chopus, Concert pinout diagram @ pinoutguide.com from pinoutguide.com
Audi chorus (grundig) разъём магнитолы audi разъём магнитолы audi. Blaupunkt audi chorus lhd grayhill sch. Thanked 10 times in 7 posts. Service manuals, schematics, eproms for electrical technicians. Am search for schematic with dump e.g. Hw and sw for fixing volume problem on audi radios concert and chorus made by blaupunkt.

Thanked 10 times in 7 posts.

Константин, 28 мая 2019 в автомагнитолы и навигация. Or dump with volume fix for mcu. Audi chorus (grundig) разъём магнитолы audi разъём магнитолы audi. Service manuals, schematics, eproms for electrical technicians. Константин, 28 мая 2019 в автомагнитолы и навигация. Usb в магнитолу audi concert plus. I am looking for atmega or pic solutions. Hw and sw for fixing volume problem on audi radios concert and chorus made by blaupunkt. Audi chorus (blaupunkt) разъём магнитолы audi разъём магнитолы audi. Am search for schematic with dump e.g.