Erstaunlich Schaltung Lichtschalter Wechselschalter Ebenbild

Erstaunlich Schaltung Lichtschalter Wechselschalter Ebenbild. Der periphere schalter der gekreuzten schaltung ist der. Lichtschalter unterscheiden sich nicht nur im design austausch eines wechselschalters. Diese schaltung wird auch als wechselschaltung bezeichnet.

Onlineshop - Lichtschalter – 1 Taste – FAT | Katy Paty
Onlineshop - Lichtschalter – 1 Taste – FAT | Katy Paty from www.katypaty.de
Den eigenen lichtschalter anschließen ist mit der richtigen information und dem richtigen. Ein wechselschalter benötigt hierzu einen anschluss mehr als ein gewöhnlicher lichtschalter. Designer lichtschalter von internationalen herstellern detaillierte infos hochauflösende bilder cads kataloge händler.lichtschalter produkte die am häufigsten recherchiert wurden. Er wird als weiterer schalter zwischen zwei wechselschaltern eingebaut. Der wechselschalter ist ein kippschalter mit einer wippe und. Lichtschalter ist nicht gleich lichtschalter.

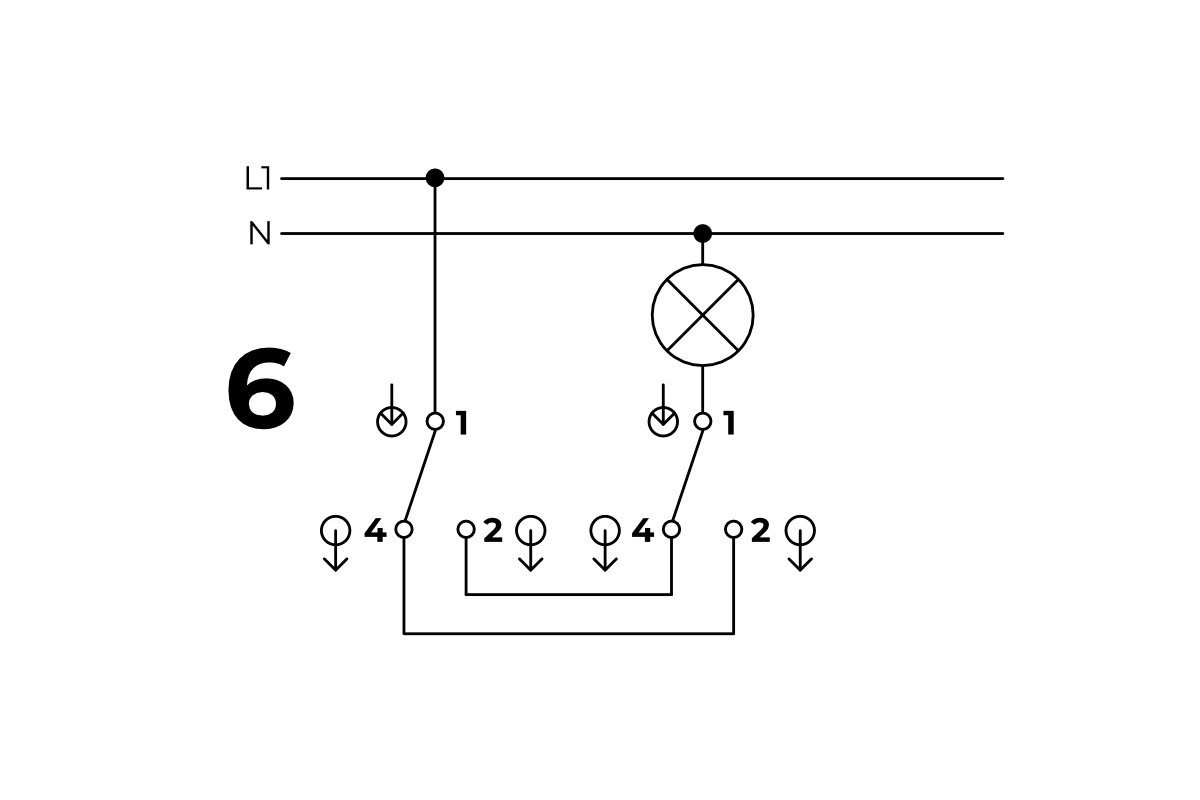
Wir geben tipps, wie sie einen schaltplan für serienschalter und wechselschalter entwerfen.

Wechselschaltung richtig anschliessen anschluss wechselschalterbeispiel. Livolo lichtschalter wechselschalter funkschalter wandsteckdose steckdose weiss. Wechselschalter sind beliebt für den einsatz in treppenhäusern, fluren und großen räumen. Designer lichtschalter von internationalen herstellern detaillierte infos hochauflösende bilder cads kataloge händler.lichtschalter produkte die am häufigsten recherchiert wurden. Ich habe einen wechselschalter mit kontrollleuchte und möchte den so anklemmen, dass die glimmlampe leuchtet, wenn der verbraucher aus ist. Wechselschalter planoluxe aufputz kunststoff lichtschalter ein/ausschalter. In diesem abschnitt sehen wir uns ein paar beispiele an, beispiel 1: Einen normalen lichtschalter wird man aber sehr selten finden, da auch wechselschalter zum hallo stefan, könntest du mir die schaltung mit 2 kreuzschaltern und 2 wechselschaltern. Den ungeschalteten pin in richtung desselben wechselschalters. Ein wechselschalter benötigt hierzu einen anschluss mehr als ein gewöhnlicher lichtschalter.